

|
PIN Nr. |
Mnemonisch |
Beschrijving |
|
1 |
REF ( -) |
Negatieve referentiespanningsingang. |
|
2 |
- in |
Invoer input. |
|
3 |
+In |
Niet -input. |
|
4 |
−v_s |
Negatieve voedingsspanning. |
|
5 |
Ref (+) |
Positieve referentiespanningsingang. |
|
6 |
Uitvoer |
Uitgang. |
|
7 |
+V_s |
Positieve voedingsspanning. |
|
8 |
NC |
Geen verbinding.Maak geen verbinding met deze pin. |

De AD8479 Verschilversterker is opmerkelijk vanwege zijn vochtigheid bij het beheren van een hoge input Common-Mode-spanningen, en bereikt tot ± 600 V. Deze mogelijkheid maakt het goed geschikt voor precisiemetingen waarbij nauwkeurigheid wordt geëist, zelfs in aanwezigheid van grote gemeenschappelijke modusspanningen.Het ontwerp zorgt voor een aanzienlijke weerstand tegen ongewenste spanning V ariat -ionen, waardoor een betrouwbare meetomgeving wordt bevorderd.
• De AD8479 Precisieverschilversterker heeft een ± 600 V Common-Mode-spanningsbereik, spoor-naar-rail uitgang en een vaste versterking van 1.
• Het werkt binnen een breed voedingsbereik van ± 2,5 V tot ± 18 V, met een typische voedingsstroom van 550 μA.
• De versterker biedt uitstekende AC-specificaties, waaronder een minimale verstandingsverhouding van de Common-Mode (CMRR) van 90 dB en een bandbreedte van 310 kHz.
• Bovendien heeft het een hoge nauwkeurigheid in DC -prestaties, met een maximale versterking niet -lineariteit van 5 ppm, een offsetspanningsafwijking van niet meer dan 10 μV/° C en een maximale versterkingsafwijking van 5 ppm/° C.
In situaties waarin galvanische isolatie geen zorg is, biedt de AD8479 een economische keuze in plaats van kostbare isolatieversterkers.Door zich te concentreren op functionaliteiten, houdt het ontwerp de componentkosten onder controle.
Het apparaat navigeert een breed spectrum van gemeenschappelijke modellen en biedt flexibiliteit in verschillende veeleisende toepassingen.Het biedt tijdelijke bescherming tot ± 600 V, het ondersteunt operationele veiligheid en betrouwbaarheid in omgevingen die vatbaar zijn voor spanningsschommelingen.
De AD8479 beschikt over functies zoals lage offsetspanning en minimale drift, wat zorgt voor precieze en gestage prestaties.De substantiële afwijzingsverhouding van Common-Mode (CMRR) over een breed frequentiebereik verhoogt de betrouwbaarheid ervan.We waarderen deze kenmerken wanneer technische systemen die stabiele en nauwkeurige metingen vereisen onder verschillende omstandigheden.
De AD8479, ingekapseld in een compact 8-lead soic-pakket, valt op voor zijn efficiënte ontwerp en functioneert naadloos over temperaturen van -40 ° C tot +125 ° C.Deze flexibiliteit is voordelig in sectoren waar apparatuur geconfronteerd wordt met ernstige en veranderende temperaturen, gebruikelijk bij het bewaken van en gegevensverzamelingsveldhulpmiddelen.
Analog Devices Inc. biedt de AD8479arz, een instrumentatieversterker een voorbeeld van precisie met een verscheidenheid aan zorgvuldig vervaardigde technische kenmerken.Deze attributen zijn samengesteld om een harmonieuze mix van verhoogde prestaties en uitzonderlijke betrouwbaarheid te bieden.Hier zijn de specificaties, attributen en parameters Analog Devices Inc. AD8479Arz.
|
Type |
Parameter |
|
Levenscyclusstatus |
Productie (laatst bijgewerkt: 1 week geleden) |
|
Contact opnemen |
Tin |
|
Montagetype |
Oppervlaktemontage |
|
Aantal pinnen |
8 |
|
Bedrijfstemperatuur |
-40 ° C ~ 125 ° C |
|
JESD-609 Code |
E3 |
|
Onderdeelstatus |
Actief |
|
Aantal beëindigingen |
8 |
|
Eindvorm |
Meulvleugel |
|
Aantal functies |
1 |
|
Time@peak reflow temperatuur-max (s) |
30 |
|
Telling |
8 |
|
Bedrijfsvoorzieningspanning |
36V |
|
Analog IC - Ander type |
Analoog circuit |
|
Nominale voedingsstroom |
550 µA |
|
Max Supply Current |
650 µA |
|
Versterker type |
Algemeen doel |
|
Max ingangsspanning |
600V |
|
Uitgangsstroom per kanaal |
55 ma |
|
GAON BANDBIDTH PRODUCT |
130 kHz |
|
Voedingsafwijzingsverhouding (PSRR) |
90db |
|
Max Junction Temperatuur (TJ) |
150 ° C |
|
Hoogte |
1,75 mm |
|
Breedte |
4 mm |
|
Stralingsharding |
Nee |
|
Leid gratis |
Bevat lood |
|
Factory doorlooptijd |
8 weken |
|
Inzetten |
Oppervlaktemontage |
|
Pakket / kast |
8-soic (0,154, 3,90 mm breedte) |
|
Aantal elementen |
1 |
|
Verpakking |
Buis |
|
PBFree -code |
E3 |
|
Vochtgevoeligheidsniveau (MSL) |
3 (168 uur) |
|
Eindpositie |
Dual |
|
Peak Reflow -temperatuur (CEL) |
260 |
|
Voedingsspanning |
15V |
|
Basisonderdeelnummer |
AD8479 |
|
Uitgangstype |
Rail-to-rail |
|
Voedingsspanning-min (VSUP) |
2.5V |
|
Bedrijfsvoorzieningstroom |
650 µA |
|
Uitgangsstroom |
10a |
|
Slew -tarief |
8V/µs |
|
Gemeenschappelijke modusafwijzingsverhouding |
90 dB |
|
Spanning - Supply, single/dual (±) |
± 2,5V ~ 18V |
|
Input offset spanning (VOS) |
500 µv |
|
Neg Supply Voltage-Nom (VSUP) |
-15V |
|
Tijd instellen |
11 µs |
|
Omgevingstemperatuurbereik hoog |
125 ° C |
|
Lengte |
5 mm |
|
Bereik SVHC |
Geen SVHC |
|
ROHS -status |
Rohs compliant |

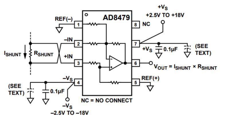
De onderstaande afbeelding illustreert de verbindingen die nodig zijn voor het bedienen van de AD8479 met een dubbele voeding.In deze configuratie wordt een voedingsspanning variërend van ± 2,5 V tot ± 18 V toegepast op pin 7 (positieve toevoer) en pin 4 (negatieve voeding).Het wordt aanbevolen om 0,1 μF condensatoren dicht bij deze pinnen te plaatsen voor effectieve ontkoppeling van elke voeding.Als er een laagfrequente ruis op de voeding is, kunnen extra 10 μF elektrolytische condensatoren, ook geplaatst in de buurt van de voedingspennen, zijn om de prestaties te stabiliseren.Hoewel een enkele set van 10 μF condensatoren meerdere versterkers kan bedienen, moet elke AD8479 -versterker zijn eigen speciale set van 0,1 μF condensatoren hebben.Dit zorgt ervoor dat het ontkoppelingspunt direct op de IC -powerpennen wordt geplaatst, waardoor stabiliteit wordt geoptimaliseerd en potentiële interferentie wordt geminimaliseerd.

Het differentiële ingangssignaal, meestal gegenereerd door een laadstroom die door een kleine shuntweerstand stroomt, wordt toegepast op pin 2 en pin 3 met de in de vorige figuur getoond polariteit om een positieve versterking te bereiken.De AD8479 is geschikt voor een gemeenschappelijke modusspanning op de differentiële ingang variërend van -600 V tot +600 V, met een maximale differentiële spanning van ± 14,7 V. Wanneer geconfigureerd zoals getoond, functioneert het apparaat als een eenvoudige versterking van 1,Differentiaal-tot-single-end-end-versterker, waarbij de uitgangsspanning recht evenredig is met het product van de shuntweerstand en de shuntstroom.Deze uitgang wordt verwezen ten opzichte van pin 1 en pin 5. Voor eenheidstoename moet pin 1 (ref−) en pin 5 (ref+) worden aangesloten op een grondvlak met een laag geïmplementeerd, waardoor een stabiele grondreferentie wordt gewaarborgd en de degradatie gemeenschappelijk wordt voorkomen-Mode -afwijzing.Pin 8 is een pin zonder verbinding en moet niet verbonden blijven.
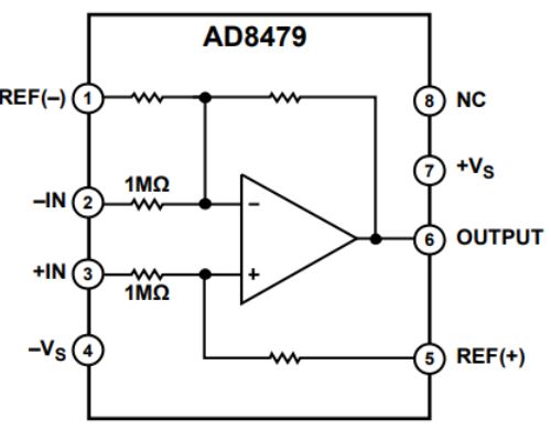
De AD8479 is een eenheid-gain, differentiaal-tot-single-end-end-versterker ontworpen om hoge gemeenschappelijke signalen te verwerpen tot 600 V met ± 15 V-benodigdheden.Het combineert een precisie-operationele versterker met een matched weerstandsnetwerk, waardoor het kleine differentiële signalen nauwkeurig kan omzetten in een uitgang van een enkele end, zelfs in de aanwezigheid van grote gemeenschappelijke modellen.Dit ontwerp maakt het ideaal voor toepassingen zoals huidige detectie en hoogspanningssignaalverwerving.

Om zijn hoge veel voorkomende modusspanningsbereik te bereiken, gebruikt de AD8479 een interne weerstandsdeler, verbonden met pin 3 en pin 5, die het niet-inverterende signaal met een factor van 60 verzwakt. Interne weerstanden bij pin 1 en pin 2, samen met pin 2, samen met pin 2De feedbackweerstand, herstel vervolgens de winst, waardoor een differentiële winst van eenheid oplevert.De overdrachtsfunctie van het apparaat wordt gegeven door: vout = v (+in) - v (−in).
Laser-wafer-trimming zorgt voor precieze weerstandsaanpassing, waardoor een sterke afwijzing van gemeenschappelijke modussignalen mogelijk is en tegelijkertijd differentiële ingangen versterken.Om de uitgangsspanning te minimaliseren, omvat de ingangstadium van de OP-AMP Super Beta-transistoren, het minimaliseren van offset-stroom en temperatuurgerelateerde drift, terwijl de spanningsruis laag houdt vanwege een 1/F ruishoek onder 5 Hz.Bovendien is de open-lus spanningsversterking van de OP AMP groter dan 20 miljoen V/V, met een PSRR van meer dan 90 dB, het verbeteren van de nauwkeurigheid en stabiliteit van de winst.
|
|
AD8479arz |
LR645LG-G |
HV9861ALG-G |
HV9910BLG-G |
AD8479BRZ |
|
Fabrikant |
Analog Devices Inc. |
Microchip -technologie |
Microchip -technologie |
Microchip -technologie |
Analog Devices Inc. |
|
Pakket / kast |
8-soic (0,154, 3,90 mm breedte) |
8-soic (0,154, 3,90 mm breedte) |
8-soic (0,154, 3,90 mm breedte) |
8-soic (0,154, 3,90 mm breedte) |
8-soic (0,154, 3,90 mm breedte) |
|
Aantal pinnen |
8 |
8 |
8 |
8 |
8 |
|
Uitgangsstroom |
10 A |
10 A |
- |
- |
- |
|
Max ingangsspanning |
600 V |
600 V |
600 V |
450 V |
450 V |
|
Aantal beëindigingen |
8 |
8 |
8 |
8 |
8 |
|
Inzetten |
Oppervlaktemontage |
Oppervlaktemontage |
Oppervlaktemontage |
Oppervlaktemontage |
Oppervlaktemontage |
|
Bereik SVHC |
Geen SVHC |
Geen SVHC |
Geen SVHC |
Geen SVHC |
Geen SVHC |
|
Piekrefllowtemperatuur (° C) |
260 |
260 |
260 |
260 |
260 |
Vanwege zijn precisie en betrouwbaarheid bij het beoordelen van differentiële signalen speelt de AD8479 een rol bij de detectie van hoogspanning.Industriële omgevingen zijn afhankelijk van deze precisie om het stroomverbruik te controleren, wat op zijn beurt zowel operationele efficiëntie als beveiliging bevordert.Het detecteren van V ariat -ionen in de huidige stroom is bijvoorbeeld in stroomroosters van fundamenteel belang bij het wonen van overbelastingen en tegelijkertijd ononderbroken stroomafgifte zorgen.We benutten deze mogelijkheden om piekprestaties te handhaven, en profiteren van de isolatiefuncties die gevoelige gegevens in verschillende circuitsecties beschermen.
In batterijtechnologie bewijst waakzaam toezicht op zowel spanning als stroom voor het behouden van efficiëntie en het verlengen van levensduur.De AD8479 blinkt uit door precieze metingen te leveren, die helpen bij het beheren van diverse batterijsystemen.Deze scenario's omvatten elektrische voertuigen, waarbij nauwkeurige monitoring zowel de veiligheid als de efficiëntie van batterijen tijdens het dagelijks gebruik ten grondslag ligt.Deze component vermindert trouwe oververhitting risico's, waardoor de levensduur van batterijcellen met minimale interventie tijdens routinematig onderhoud wordt verbeterd - een factor die de betrouwbaarheid in de loop van de tijd aanzienlijk versterkt.
De voordelen van de AD8479 zijn duidelijk in motorbesturingssystemen, waarbij de precisie de energie-efficiënte werking ondersteunt en de levensduur van de motor verhoogt.Industriële machines en automatisering vereisen stabiele en responsieve controlemechanismen om slijtage te verminderen en tegelijkertijd de functionaliteit te stimuleren.We nemen de AD8479 vaak op met andere onderdelen aan ontwerpsystemen die deze doelstellingen moeiteloos bereiken.Door zorgvuldige kalibratie integreert de component soepel in reeds bestaande systemen, waardoor veiligheidsprotocollen worden verbeterd en de operationele efficiëntie wordt verbeterd.
Veel systemen vereisen een robuuste signaalisolatie om gegevenscorruptie te voorkomen en veilige bewerkingen mogelijk te maken.De AD8479 wordt in deze contexten, vooral in telecommunicatie waarbij het handhaven van consistente signaalintegriteit van het grootste belang is.Door secties te isoleren die kwetsbaar zijn voor interferentie, zorgt de component voor continue effectieve communicatie met minimale verstoringen.Deze aanpak spreekt beoefenaars aan, omdat het de afhankelijkheid van uitgebreide beschermende mechanismen vermindert, in plaats daarvan een eenvoudige maar effectieve methode biedt om gegevens van gegevens over verschillende netwerken te garanderen.

Analoge apparaten lopen sinds 1965 voorop in de engineering van Revolutionary Integrated Circuit (IC) en levert transformatieve oplossingen in het enorme landschap van elektronische systemen.Hun volkomen ontworpen producten staan bekend om het vertalen van metingen in zeer nauwkeurige elektronische signalen, met een niet -aflatende geschiedenis van betrouwbaarheid en superieure kwaliteit.
OVER ONS
Klanttevredenheid elke keer.Wederzijds vertrouwen en gemeenschappelijke belangen.
Uitgebreide gids voor DS1302 RTC
2024-11-09
Uw gids over NRF52833 RF -transceiver
2024-11-09
Gevierd vanwege het opmerkelijke vermogen om een brede input Common-Mode spanningsbereik te verwerken, is de AD8479 op maat gemaakt voor precisie.Het blinkt uit in het leveren van nauwkeurige differentiële signaalmetingen, zelfs wanneer het wordt geconfronteerd met aanzienlijke veelvoorkomende spanningen die tot ± 600 V uitstrekken. Deze vaardigheid biedt een substantiële waarde in ingewikkelde systemen waar hoogspanningsprecisie noodzakelijk is.
De AD8479 komt naar voren als een haalbaar alternatief voor dure isolatieversterkers wanneer Galvanic Isolation niet wordt gevraagd.Deze beslissing verlaagt de kosten aanzienlijk in scenario's waarbij precieze signaalmeting wordt geprioriteerd zonder de extra complexiteit die verband houdt met isolatie.Deze selectie van componenten weerspiegelt een oordeelkundig evenwicht tussen economische efficiëntie en robuustheid van prestaties.
De AD8479, ingekapseld in een ruimtebesparend 8-lead soic-pakket, vertoont betrouwbare prestaties over een uitgebreid temperatuurspectrum variërend van -40 ° C tot +125 ° C.Deze engineering biedt aanpassingsvermogen en veerkracht, waardoor het een scherpzinnige keuze is voor een veelheid aan omgevingscondities, hetzij in hogere temperatuurbewerkingen of koelere instellingen.
RSEG-2003
UFX7000-VEE-mail: Info@ariat-tech.comHK TEL: +852 30501966TOEVOEGEN: Rm 2703 27F Ho King Comm Centre 2-16,
Fa Yuen St MongKok Kowloon, Hong Kong.