


De AT28C256 is een krachtige EEPROM (elektrisch uitwisbaar en programmeerbaar alleen-lezen geheugen) met een capaciteit van 256 kb georganiseerd als 32.768 woorden met 8 bits.Gebouwd met de geavanceerde niet -vluchtige CMOS -technologie van Microchip, biedt het een snelle toegangstijden tot 150 ns en verbruikt het slechts 440 MW vermogen.Wanneer deselecteerd, daalt de stand -bystroom van het apparaat tot minder dan 200 µA.Toegang tot statische RAM, de AT28C256 vereist geen externe componenten voor lees- of schrijfcycli.Het bevat een paginaregister van 64 byte dat het schrijven van maximaal 64 bytes tegelijkertijd mogelijk maakt.
Tijdens een schrijfcyclus zijn het adres en de gegevens (maximaal 64 bytes) intern vergrendeld, waardoor het adres en de gegevensbus worden vrijgelaten voor andere taken.Het apparaat schrijft automatisch de vergrendelde gegevens met behulp van een interne besturingstimer en voltooiing kan worden gecontroleerd door gegevenspeiling op I/O7.Aanvullende functies zijn onder meer interne foutcorrectie voor verbeterde uithoudingsvermogen en gegevensbehoud, optionele software gegevensbescherming tegen Accidental Writes en een extra 64 bytes EEPROM voor apparaatidentificatie of trackingdoeleinden.
Met een leestoegangstijd van slechts 150 nanoseconden, zorgt de AT28C256 voor snelle gegevens op, wat bewijst voor systemen met realtime verwerkingsbehoeften.Dit kenmerk bevordert uitstekende prestaties in digitale omgevingen, waardoor de systeemefficiëntie wordt beïnvloed door snelle toegang te bieden tot opgeslagen informatie.
Georganiseerd als 32.768 x 8, bevat de EEPROM interne vergrendelingen die maximaal 64 bytes per pagina bevatten en gebruikt een controletimer om het schrijfproces te beheren.Deze automatische pagina Write-functie vereenvoudigt de inspanningen voor gegevensinvoer in tijdgevoelige omgevingen zoals ingebedde systemen, het handhaven van synchronisatie en het ondersteunen van gegevensintegriteit tijdens de activiteiten.
De AT28C256 biedt een snelle schrijfcyclus van 3 ms en een maximum van 10 ms voor paginatranaat en biedt plaats aan tussen 1 en 64 bytes per operatie en biedt flexibiliteit in gegevensverwerking.Deze versnelde schrijfactiviteiten verminderen de downtime van het systeem en verbeteren de doorvoer van de gegevens, die de responstijden in data-intensieve toepassingen gunstig hebben.
Het apparaat toont een efficiënt stroomverbruik met een actieve stroom van 50 mA en een CMOS -stand -bystroom zo laag als 300 µA.Dit maakt het een geschikte keuze voor energiebewuste ontwerpen, in op batterijen werkende apparaten, waardoor optimale prestaties worden gewaarborgd zonder overmatig stroomgebruik.
Uitgerust met geavanceerde strategieën voor gegevensbescherming, maakt de AT28C256 gebruik van zowel hardware- als softwareverdediging, inclusief gegevenspeiling om de voltooiing van de schrijfcyclus te verifiëren.Zorgen voor langetermijngegevensintegriteit is vereist op gebieden zoals financiën en persoonlijke gegevenssystemen, waardoor de zekerheid wordt geboden voor gegevensbehoud en stabiliteit onder uitdagende omstandigheden.
Met behulp van CMOS -technologie levert de AT28C256 uithoudingsvermogen van maximaal 100.000 schrijfcycli en een decennium van gegevensbehoud onder standaardomstandigheden.Een dergelijke veerkracht past het voor langdurig gebruik in gebieden die betrouwbaar geheugen vereisen, zoals medische of industriële toepassingen, die een groot aantal achting verdienen voor zijn robuuste levensduur en betrouwbaarheid.
Het apparaat vereist een enkele 5V ± 10% toevoer, zorgt voor naadloze compatibiliteit met CMOS/TTL-interfaces en voldoet aan de JEDEC® byte-brede pin-configuratie.Dit past soepel aan in diverse hardware -opstellingen, hetzij voor bestaande legacy -systemen of innovatieve nieuwe ontwerpen, ter ondersteuning van continue vooruitgang in meerdere technologische sectoren.
De AT28C256-15JU, gemaakt door microchip -technologie, onderscheidt zich met een opmerkelijke betrouwbaarheid en efficiëntie over verschillende toepassingen.De onderstaande tabel is de technische specificaties, attributen en parameters van microchip-technologie AT28C256-15JU.
|
Type |
Parameter |
|
Factory doorlooptijd |
7 weken |
|
Inzetten |
Oppervlaktemontage |
|
Pakket / kast |
32-LCC (J-Lead) |
|
Geheugentypen |
Niet-vluchtig |
|
Verpakking |
Buis |
|
JESD-609 Code |
E3 |
|
Onderdeelstatus |
Actief |
|
Aantal beëindigingen |
32 |
|
Eindpositie |
Quad |
|
Aantal functies |
1 |
|
Eindpunt |
1,27 mm |
|
Time@peak reflow temperatuur-max (s) |
40 |
|
Bedrijfsvoorzieningspanning |
5V |
|
Interface |
Parallel, spi |
|
Nominale voedingsstroom |
50 ma |
|
Geheugenformaat |
Eeprom |
|
Schrijfcyclustijd - woord, pagina |
10 ms |
|
Standby huidige max |
0,0002A |
|
Uithoudingsvermogen |
10000 schrijven/wissen cycli |
|
Gegevensbehoud Tijd-min |
10 |
|
Data Polling |
JA |
|
Paginegrootte |
64Words |
|
Lengte |
14,1 mm |
|
Bereik SVHC |
Geen SVHC |
|
ROHS -status |
ROHS3 -compatibel |
|
Contact opnemen |
Tin |
|
Montagetype |
Oppervlaktemontage |
|
Aantal pinnen |
32 |
|
Bedrijfstemperatuur |
-40 ° C ~ 85 ° C TC |
|
Gepubliceerd |
1997 |
|
PBFree -code |
Ja |
|
Vochtgevoeligheidsniveau (MSL) |
2 (1 jaar) |
|
Spanning - levering |
4.5V ~ 5.5V |
|
Peak Reflow -temperatuur (CEL) |
245 |
|
Voedingsspanning |
5V |
|
Frequentie |
5MHz |
|
Basisonderdeelnummer |
AT28C256 |
|
Voedingsvoorraden |
5V |
|
Geheugengrootte |
256kb 32k x 8 |
|
Toegangstijd |
150ns |
|
Geheugeninterface |
Parallel |
|
Dikte |
256 kb |
|
Programmeerspanning |
5V |
|
Schrijfcyclus time-max (TWC) |
10 ms |
|
Schrijf bescherming |
Hardware/software |
|
Schakel bit |
JA |
|
Hoogte |
2,79 mm |
|
Breedte |
11,5 mm |
|
Stralingsharding |
Nee |
|
Leid gratis |
Leid gratis |

|
Modelnummer |
Fabrikant |
Beschrijving |
|
5962-8852508ux |
E2V -technologieën |
EEPROM, 32KX8, 150NS, PARALLEL, CMOS,
CPGA28, PGA-28 |
|
28C256TRT4DE-15 |
Maxwell Technologies |
EEPROM, 32KX8, 150NS, PARALLEL, CMOS,
DIP-28 |
|
X28C256J-15 |
Xicor Inc |
EEPROM, 32KX8, 150NS, PARALLEL, CMOS,
PQCC32, plastic, LCC-32 |
|
28C256TRT2DE-15 |
Maxwell Technologies |
EEPROM, 32KX8, 150NS, PARALLEL, CMOS,
DIP-28 |
|
X28C256D-15 |
Xicor Inc |
EEPROM, 32KX8, 150NS, PARALLEL, CMOS,
CDIP28, Hermetisch verzegeld, CERDIP-28 |
|
5962-8852514ux |
Microchip Technology Inc |
EEPROM, 32KX8, 150NS, PARALLEL, CMOS,
CPGA28 |
|
AT28C256-15UC |
Atmel Corporation |
EEPROM, 32KX8, 150NS, PARALLEL, CMOS,
CPGA28, Ceramic, PGA-28 |
|
X28C256 PMB-15 |
Xicor Inc |
EEPROM, 32KX8, 150NS, PARALLEL, CMOS, PDIP28,
Plastic, DIP-28 |
|
FT28C256-15UJ |
Force Technologies Ltd |
EEPROM, 32KX8, 150NS, PARALLEL, CMOS,
PQCC32, groen, plastic, MS-016AE, LCC-32 |
|
X28C256J-15C7000 |
Xicor Inc |
EEPROM, 32KX8, 150NS, PARALLEL, CMOS,
PQCC32 |
|
|
AT28C256-15JU |
AT28C256F-15JU |
AT28HC256-12JU |
AT28C256E-15JU |
|
Fabrikant |
Microchip -technologie |
Microchip -technologie |
Microchip -technologie |
Microchip -technologie |
|
Pakket / kast |
32-LCC (J-Lead) |
32-LCC (J-Lead) |
32-LCC (J-Lead) |
32-LCC (J-Lead) |
|
Aantal pinnen |
32 |
32 |
32 |
32 |
|
Dikte |
256 kb |
256 kb |
256 kb |
256 kb |
|
Toegangstijd |
150ns |
150ns |
120ns |
150ns |
|
Frequentie |
5 MHz |
5 MHz |
5 MHz |
5 MHz |
|
Interface |
Parallel, spi |
- |
- |
Parallel, spi |
|
Voedingsspanning |
5 V |
5 V |
5 V |
5 V |
|
Technologie |
CMO's |
CMO's |
CMO's |
CMO's |


Genesteld in de levendige stad Chandler, Arizona, heeft Microchip Technology Inc. een niche voor zichzelf uitgehouwen als koploper in microcontroller en analoge halfgeleidertechnologieën.Hun uitgebreide portfolio ondersteunt baanbrekende productontwikkeling, zorgvuldige kostenefficiëntie en snelle inzet voor markt voor een enorm en gevarieerd internationaal klantenbestand.Deze prestaties worden ondersteund door niet -aflatende technische begeleiding en leveringsmethoden die fijn zijn afgestemd om aan verschillende klantvereisten te voldoen.De samenwerking met microchip resulteert vaak in een combinatie van technische kennis en uitvoering die een verbeterde concurrentiebedrijf katalyseert.
OVER ONS
Klanttevredenheid elke keer.Wederzijds vertrouwen en gemeenschappelijke belangen.
Inzicht in de IR2153: een diepgaande kijk op de functies, circuitontwerp en industriële toepassingen
2024-11-11
Uitgebreide gids voor DS1302 RTC
2024-11-09
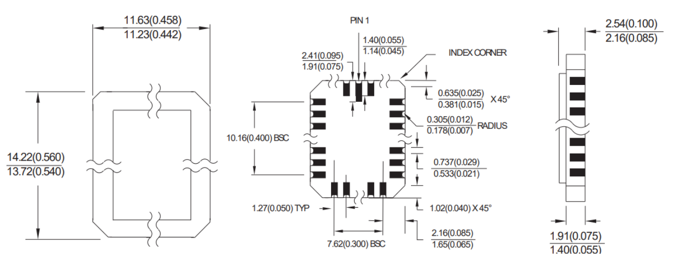
De AT28C256-15JU heeft 32 pins.
Het bedrijfstemperatuurbereik is -40 ° C tot 85 ° C (TC).
De AT28C256 werkt op dezelfde manier als statisch RAM voor zowel lees- als schrijfcycli.
De AT28C256 is een krachtige EEPROM met een geheugen van 256 kb, georganiseerd als 32.768 woorden met 8 bits.
MAX1185ECM+
PM8076B1-F3GIE-mail: Info@ariat-tech.comHK TEL: +852 30501966TOEVOEGEN: Rm 2703 27F Ho King Comm Centre 2-16,
Fa Yuen St MongKok Kowloon, Hong Kong.