
Een gelijkrichterdiode, vaak een gelijkrichter genoemd, is een halfgeleiderapparaat waarmee de stroom in één richting kan stromen en deze in de tegenovergestelde richting blokkeert.De primaire rol is het omzetten van een wisselstroom (AC) in directe stroom (DC).Dit maakt het een belangrijk onderdeel van voedingen, batterijladers, zonnevers en talloze elektronische apparaten.

Figuur 2. Gelijkrichter diode symbool
In circuitdiagrammen wordt de gelijkrichterdiode weergegeven door een driehoek die naar een lijn wijst.De driehoek geeft de anode aan en de lijn vertegenwoordigt de kathode.De stroom stroomt van de anode naar de kathode, nooit andersom.

Figuur 3. Functie van gelijkrichtersdioden
Gelijkrichte diodes laten elektriciteit in slechts één richting stromen.Door de stroom te blokkeren om achteruit te stromen, bieden ze een gestage DC -uitgang en beschermen circuits tegen schade.Deze eenrichtingsstroom is het basisprincipe waarmee AC kan worden omgezet in DC in elektronische apparaten.
Naast het converteren van AC naar DC, zijn gelijkrichterdioden ontworpen om hoge stroom en zware werkomstandigheden aan te kunnen.Hun sterke build maakt hen betrouwbaar voor gebruik in voedingen, omvormers en motoraandrijvingen, waar ze worden geconfronteerd met zowel elektrische als hittestress.Deze duurzaamheid zorgt ervoor dat ze goed werken, zelfs in veeleisende omgevingen.
Een ander kenmerk van gelijkrichterdioden is hun lage voorwaartse spanningsval.Dit betekent dat ze minder energie verspillen als warmte bij het uitvoeren van stroom.Door het vermogensverlies te verminderen, verbeteren ze de efficiëntie en verlengen ze de levensduur van de component.Dit is vooral nuttig in energiebesparende apparaten en compacte systemen waar betrouwbaarheid en efficiëntie erg belangrijk zijn.

Figuur 4. Onbevorderd (geen spanning toegepast)
• Onbevooroordeelde diode: Een onpartijdige diode betekent dat er geen externe spanning op zijn terminals wordt toegepast.In deze toestand hangt de diode alleen af van het natuurlijke gedrag van de P-N-junctie.De n-type zijde heeft veel vrije elektronen, terwijl de p-type zijde veel gaten heeft.Wanneer ze worden aangesloten, gaan sommige elektronen van de N-zijde naar de P-zijde en vullen ze gaten, waardoor vaste ionen achterblijven.Deze ionen vormen het uitputtingsgebied, een gebied zonder vrije ladingsdragers die zich gedragen als een isolator.Dit creëert een kleine ingebouwde spanning genaamd de barrièrepotentiaal (ongeveer 0,7 V voor silicium, 0,3 V voor germanium).Deze barrière houdt de diode in evenwicht en blokkeert verdere verplaatsing van ladingen.De onbevooroordeelde toestand is de basisvoorwaarde voor hoe de diode later werkt onder voorwaartse of omgekeerde bias.

Figuur 5. Voorwaartse bevooroordeeld
• Voorwaartse bevooroordeelde diode : Een diode is voorwaarts bevooroordeeld wanneer de positieve terminal van een batterij is aangesloten op de P-zij (anode) en de negatieve terminal op de N-zijde (kathode).In deze toestand wordt het uitputtingsgebied dunner, het barrièrespotentieel vermindert en begint de stroom te stromen.Elektronen in de N-zij worden door de negatieve terminal naar de kruising geduwd, terwijl gaten in de P-zij door de positieve terminal naar de kruising worden geduwd.Ze ontmoeten elkaar, recombineren en laten een gestage stroming voorbijgaan.In de N-zijde dragen elektronen de stroom, terwijl in de P-zijde gaten het dragen.De werkelijke elektronenstroom is van N tot P, maar de conventionele stroomrichting is van de positieve terminal door de diode naar de negatieve terminal.Voor siliciumdioden begint de geleiding wanneer de spanning boven ongeveer 0,7 V is, en voor Germanium -diodes, boven ongeveer 0,3 V. Na dit punt biedt de diode zeer weinig weerstand en laat ernstige stroom door.

Figuur 6. Omgekeerde bevooroordeelde diode
• Omgekeerde bevooroordeelde diode: Een diode is omgekeerd bevooroordeeld wanneer de positieve terminal van een batterij is aangesloten op de N-zijde en de negatieve terminal op de P-zijde.In deze toestand wordt het uitputtingsgebied breder, neemt het barrièrepotentieel toe en wordt de stroom geblokkeerd.Een zeer kleine stroom, de omgekeerde verzadigingsstroom genoemd, stroomt nog steeds door minderheidsdragers, maar het is klein en neemt toe met de temperatuur.Als de reverse spanning te hoog wordt, kan de diode in vervolging gaan.Dit gebeurt op twee manieren: Zener -afbraak bij lage spanning in zwaar gedoteerde diodes en lawine -afbraak bij hogere spanningen wanneer snelle dragers atomen raken en meer dragers creëren.Zonder de beperkende beperkende, kan de diode oververhit raken en beschadigd raken, maar Zener -diodes zijn speciaal ontworpen om veilig te werken in afbraak voor spanningsregulering.Bij normaal gebruik blokkeert een omgekeerde vooringenomen diode stroom en beschermt circuits tegen ongewenste geleiding.

Figuur 7. Halfgolfgelijkrichter
• Halfgolfrichter: is een van de eenvoudigste manieren om AC -spanning om te zetten in DC -vermogen.Het gebruikt een enkele diode en een laadweerstand om slechts de helft van de AC -golfvorm door te geven.De diode loopt tijdens de positieve halve cyclus en blokkeert de negatieve halve cyclus, wat resulteert in een pulserende DC -uitgang.
Tijdens de positieve halve cyclus wordt de diode voorwaarts bevooroordeeld, waardoor de stroom door de belasting kan stromen.Tijdens de negatieve halve cyclus is de diode omgekeerd en blokkeert de stroom, zodat de uitgang daalt tot nul.Het resultaat is een golfvorm die alleen positieve pulsen bevat.
Hoewel de output niet zuiver DC is, vormt dit principe de basis voor veel rectificatiecircuits.Het toevoegen van een filtercondensator kan de pulserende golfvorm gladmaken en rimpel verminderen, waardoor een stabielere DC -voeding ontstaat.

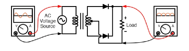
Figuur 8. Full-wave gelijkrichter
• Full-wave gelijkrichter: Een full-wave gelijkrichter verandert beide helften van een AC-signaal in DC.In tegenstelling tot een halfgolfrichter, die slechts de helft van de AC-cyclus gebruikt, werkt een full-wave gelijkrichter met het hele signaal.Dit maakt het efficiënter, produceert minder rimpel en geeft een soepelere DC -output.
Het meest voorkomende type is de bruggelijkrichter, die vier diodes gebruikt die in een vierkante vorm zijn aangesloten.Tijdens de positieve halve cyclus blijven twee diodes en blijven de andere twee uitgeschakeld.In de negatieve halve cyclus schakelen de rollen.In beide gevallen stroomt de stroom altijd in dezelfde richting door de belasting.
Een ander type is de middengetapte gelijkrichter, die een transformator gebruikt met een middelste kraan en twee diodes.Elke helft van de transformatorwikkeling werkt met één diode en beide helften sturen stroom in dezelfde richting naar de belasting.
|
Parameter |
Beschrijving |
|
Maximaal
Repetitieve omgekeerde spanning (VRRM)) |
De hoogste
Omgekeerde spanning De diode kan herhaaldelijk weerstaan zonder afbraak. |
|
Gemiddelde aanvaller
Huidige (iF (av))) |
Het maximum
stroom De diode kan continu in de voorwaartse richting leiden. |
|
Piekstroom
Huidige (iFSM)) |
Het maximum
Niet-repetitieve overspanningsstroom (bijv. Tijdens inrush of fouten).
|
|
Omgekeerde stroom
(IR)) |
De kleine
lekstroom die stroomt wanneer een omgekeerde spanning wordt toegepast. |
|
Voorwaartse spanning
Druppel (vF)) |
De spanningsval
Over de diode bij het uitvoeren van voorwaartse stroom. |
|
Omgekeerd herstel
Tijd (TRR) |
Tijd genomen voor
de diode om te stoppen met uitvoeren bij het overschakelen van naar voren naar omgekeerde bias. |
|
Stroom
Dissipatie (pD)) |
De hoeveelheid
Verwarm de diode genereert tijdens de werking, moet worden beheerd met koeling. |
|
Knooppunt
Temperatuur (TJ) |
Het maximale kluis
Bedrijfstemperatuur van de PN -kruising van de diode. |
|
Thermisch
Weerstand (rθja, Rθjc)) |
De weerstand
naar warmte van de kruising naar omgevings- of zaak. |
|
Pakkettype |
Definieert de
Fysieke schets (bijv. DO-41, TO-220) en thermische mogelijkheden. |

Figuur 9. Verschillende elektronische en elektrische toepassingen
•AC tot DC -voedingen: Gebruikt in telefoonladers, adapters en kleine apparaten om netten AC om te zetten in gereguleerde DC voor elektronica.
•Batterijladers: Belangrijk bij het oplaadsystemen van de auto-batterij en zonne-batterij om een constante DC te bieden voor het opladen van lithium-ion en loodzuurbatterijen.
•Ononderbreekbare voedingen (UPS): Laagfrequente gelijkrichters houden back-upbatterijen opgeladen in UPS-systemen en zorgt voor continue DC-beschikbaarheid tijdens stroomuitval.
•DC Motor Drives: Stabiele DC -spanning leveren voor huishoudelijke en industriële motoren die worden gebruikt bij fans, wasmachines en speelgoed.
•Lasmachines: Zware gelijkrichters verwerken hoge stroombelastingen en converteren AC in DC voor precieze en stabiele lasbewerkingen.
|
Voordelen
|
Nadelen
|
|
Kosteneffectief in vergelijking met
MOSFETS of IGBTS, waardoor ze ideaal zijn voor goedkope ontwerpen |
Spanningsvalverliezen vooruit
Spanningsval (ongeveer 0,7 V voor silicium) vermindert de efficiëntie en genereert warmte |
|
Eenvoudig te integreren voor polariteit
Bescherming, freewheeling en oring zonder extra circuits |
Reverse Recovery Time Standard
Diodes schakelen langzaam uit, beperkend gebruik in hoogfrequente circuits |
|
Breed scala aan spanning en stroom
Beoordelingen, beschikbaar in verschillende pakkettypen |
Warmte -generatie Hoge stromingen
aanzienlijke warmte produceren, vereisen koellichamen of koeling |
|
Geschikt voor veel toepassingen
inclusief voedingen, opladers, verlichting, hernieuwbare energie en
Auto -elektronica |
Beperkte spanningsafhandeling elk
diode heeft een maximale omgekeerde spanningsclassificatie;buiten het buiten is |
|
Zeer efficiënte opties zoals
Schottky en SIC -diodes met een lage voorwaartse spanningsval en snel schakelen |
Rimpel in uitgangsuitgang is
Pulserende DC, die extra filtering vereisen voor een soepele DC -toevoer |
|
Betrouwbaar onder pieken, thermisch
Stress en zware omstandigheden met de juiste koeling |
Niet ideaal voor laagspanning
Circuits-spanningsdaling kan de efficiëntie van de lage spanning van toepassingen beïnvloeden |
|
Stabiliteit, bescherming bieden,
en duurzaamheid in de industrie |
Power -dissipatie continu
geleiding veroorzaakt energieverlies, waardoor de efficiëntie in gevoelige of verlaging wordt verlaagd of
Systemen op batterijen |
Gelijkrichter diodes spelen een belangrijke rol bij het voeden en beschermen van elektronische systemen.Ze regelen de stroomrichting, beheren warmte en zorgen voor een efficiënte conversie van AC naar DC.Hoewel ze enkele limieten hebben, zoals spanningsdaling en het genereren van warmte, maken hun voordelen zoals lage kosten, betrouwbaarheid en efficiëntie hen vandaag een van de meest vertrouwde componenten in elektronica.
OVER ONS
Klanttevredenheid elke keer.Wederzijds vertrouwen en gemeenschappelijke belangen.
DSA2-12A-diode uitgelegd: specificaties, functies en vergelijking
2025-10-01
LR43 vs LR44 vs LR41 Batterijverschillen, specificaties en toepassingen
2025-09-30
Er is een gelijkrichterdiode gebouwd om de hoge stroom en spanning voor te hanteren AC omzetten naar DC, terwijl een gewone diode alleen kleine signalen kan afhandelen of lagere vermogensniveaus.
Niet direct.Gelijkrichtersdioden regelen de stroomrichting, terwijl Zener Diodes zijn ontworpen voor spanningsregeling door veilig in te werken omgekeerde afbraak.
Als het shorts, kan AC rechtstreeks doorgaan naar de lading en de componenten beschadigen. Als het opent, stroomt er geen stroom en werkt het circuit niet meer.
Ja.Een gelijkrichterdiode in serie plaatsen met de stroominvoerblokken Stroom als de toevoer achteruit is aangesloten, waarbij het circuit wordt beschermd.
Controleer de maximale omgekeerde spanning (VRRM), doorstuurstroom (if) en Power Dissipation Rating om ervoor te zorgen dat de diode uw circuits kan aan voorwaarden.
Standaard gelijkrichterdiodes zijn traag voor hoogfrequente circuits, maar Snelle hersteldioden, Schottky of SIC -diodes zijn beter om te schakelen voedingen en RF -systemen.
Ja.Ze voorkomen 's nachts omgekeerde stroomstroom en worden gebruikt in zonnevers om DC om te zetten in bruikbare ac -vermogen.
Met de juiste koeling en binnen nominale limieten kunnen gelijkrichtersdioden de laatste jaren.Overmatige hitte, overstroom of spanningspieken verkorten hun levensduur.
BFC233620474E-mail: Info@ariat-tech.comHK TEL: +852 30501966TOEVOEGEN: Rm 2703 27F Ho King Comm Centre 2-16,
Fa Yuen St MongKok Kowloon, Hong Kong.